Espirituialidades e Sociedade



Notícias:

>    Mediunidade e Circuitos elétricos



 

 

15/03/2017

 

por Jáder Sampaio

 

 

O jornal de estudos espíritas acaba de publicar um artigo que explica a analogia que André Luiz fez entre circuitos elétricos e mediunidade no livro "Mecanismos da mediunidade", publicado originalmente em 1959.

O livro foi psicografado por Chico Xavier e Waldo Vieira. Os capítulos pares foram psicografados pelo Chico e os ímpares por Waldo. Como muitos dos conceitos de eletricidade ensinados por eles não são estudados na escola em nível de ensino médio, o livro é de difícil leitura e interpretação pela maioria das pessoas de boa vontade que frequentam a casa espírita.

O autor do artigo, Alexandre Fontes da Fonseca, é físico e professor da Unicamp. Ele tenta explicar de forma didática e compreensível o que diz André Luiz sobre mediunidade em alguns dos capítulos do livro.

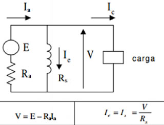
Sua primeira contribuição é mostrar que o livro faz apenas analogias com eletricidade e hipnose. Ele não faz física do mundo espiritual, como pensam alguns leitores. Embora André Luiz fale de ondas mento-eletromagnéticas, ele não diz que a mente produz ondas eletromagnética, mas que algumas das características das ondas eletromagnéticas como a variedade de frequências, a transmissão sem a necessidade de fios, sua recepção à distância e sua capacidade de gerar correntes elétricas em condutores com características especiais são muito parecidas com um espírito comunicante que produz o fenômeno mediúnico pelo pensamento, sem que ninguém seja capaz de percebê-lo com os cinco sentidos.

Algumas das comparações explicadas por Alexandre no artigo

Diferença de potencial: a existência de pensamentos distintos entre espírito e médium, para que seja possível a comunicação.

Capacidade de junção: combinação de fluidos entre médium encarnado e comunicante desencarnado (conceito kardequiano)

Fios do gerador: atitude de aceitação ou adesão do médium

Circuito mediúnico: Na combinação de fluidos citada acima, circula uma "corrente mental" (isto também é uma analogia, e não uma descrição física)

Gerador "shunt": Tipo de circuito no qual uma bobina corretamente instalada aumenta a corrente do gerador, e instalada de forma errada, diminui a corrente do gerador. É uma analogia do papel da concentração do médium durante a comunicação, segundo o articulista.

 

Quem estiver interessado em entender melhor o artigo dele, basta acessar o Jornal de Estudos Espíritas no link a seguir:
https://drive.google.com/file/d/0BwP5l2F8N4s3TWJoMmRKWTRQaVk/view

 

Fonte: http://espiritismocomentado.blogspot.com.br/2017/03/mediunidade-e-circuitos-eletricos.html?spref=fb

 

>>>   clique aqui para acessar a página principal de Notícias

>>>   clique aqui para voltar a página inicial do site

>>>   clique para ir direto para a primeira página de Artigos, Teses e Publicações